金属管件、钢制法兰专业供应商 工业压力管道配件解决方案一站式服务
销售服务热线:
158 2163 0513
首页
关于我们
新闻资讯
公司新闻
产品资讯
技术资讯
产品中心
钢制对焊管件系列
锻钢制螺纹管件系列
锻钢制承插管件系列
管座及支管台系列
钢制法兰系列
其他管件系列
设备检验
生产设备
产品检测设备
应用领域
客户服务
联系我们
新闻资讯
公司新闻
产品资讯
技术资讯
产品中心
钢制对焊管件系列
钢制对焊弯头
同心、偏心异径管
等径、异径三通/四通
管帽(封头)
翻边短节
对焊弯管
锻钢制螺纹管件系列
螺纹弯头、三通、四通
螺纹管箍、管帽
螺纹堵头(管塞)、补芯
活接头(螺纹/承插)
螺纹外丝(Nipple)
六角外丝
锻钢制承插管件系列
承插弯头、三通、四通
承插管箍、管帽、Y型三通
承插变径接头
渐缩管及支管台系列
承插支管台
斜接支管台
异径短节
渐缩管
锻制接管座
对焊支管台
螺纹支管台
钢制法兰系列
国标标准法兰(GB)
化工部标准法兰(HG)
机械部、石化部法兰(JB、SH)
液压法兰、四方法兰(SAE)
美国标准法兰(ASME)
德国标准法兰(DIN)
日本标准法兰(JIS)
英标标准法兰(BS/EN)
金属软管系列
其他管件系列
薄壁管件系列
法兰垫片及螺栓系列
超真空法兰接头系列
精铸低压管件系列
机械部、石化部法兰(JB、SH)
当前位置:
网站首页
>>
产品中心
>>
钢制法兰系列
>>
机械部、石化部法兰(JB、SH)
/public/uploads/images/20200812/1_202008120932206f8f2.jpeg
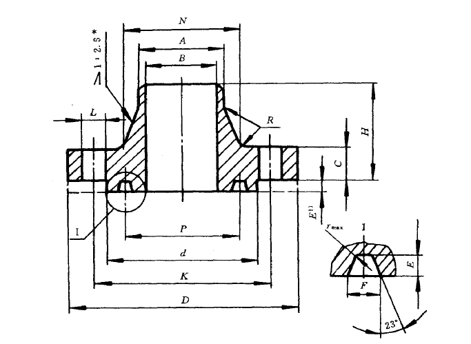
环连接面、榫槽面、凹凸面对焊钢制管法兰
发布时间:2019-07-03 09:50:01
作者:
阅读数:2271阅读
尺寸
DN10-DN400
压力
PN6.3 PN10.0 PN16.0 PN20.0 Mpa
材质
咨询销售部工程师!
工艺
锻造
标准
JB82-1994
产品详细介绍
上一页:
突面板式平焊钢制管法兰
下一页:
平焊环板式松套钢制管法兰
发表
全部评论(0)
更多评论